产品描述
300 AMP 12 V 绞车电磁阀
。密封、耐腐蚀
。坚固的重型结构
。适合 5 000磅 7 000磅

联系方式
|
联络安排 |
2C(2PDT) |
|
|
接触材料 |
合金 |
|
|
触点额定值(电阻) |
300A 12VDC |
|
|
最大限度。开关电源 |
3,600W |
|
|
接触电阻 |
最大 50m Ω |
|
|
操作电气 |
电气 |
60A 12VDC 下连续 20,000 次循环,600A 12VDC 下间歇 1,000 次循环 |
|
机械的 |
100,000 次循环 |
|
线圈参数
|
标称 |
最大继续 |
线圈电阻 |
捡起 |
发布 |
线圈功率 |
|
电压(直流) |
电压(直流) |
20 度时 Ω ±10% |
电压 (20 度直流电) |
电压(20度时的VDC) |
(W) |
|
12 |
14.4 |
4.3 |
8.0 |
0.6 |
34 |
|
24 |
28.8 |
17.2 |
16.0 |
1.2 |
34 |
运行状况
|
绝缘电阻 |
最小 100M Ω(500VDC 时) |
|
介电强度 触点之间 触点与线圈之间 |
50Hz 500VAC 50Hz 500VAC |
|
抗冲击性 |
30m/S2 |
|
抗振性 |
1~50Hz 10m/S2 |
|
防护等级 |
IP67级 |
|
环境温度 |
-25~40度 |
|
相对湿度 |
98%(20度时) |
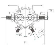
尺寸(毫米)


接线

该 DC 12V 继电器是专为汽车和工业应用设计的“关键电气元件”,充当控制电路和高-功率负载之间的桥梁。以下是其功能和优点的简要概述:
核心功能
它充当“电磁开关”-,当控制信号(例如来自开关或传感器)激活其线圈时,继电器的触点闭合,从而使高电流能够为电机、灯或螺线管等设备供电。这种控制电路和负载电路的分离确保了低-电流控制系统(例如汽车ECU或手动开关)不会因高-功率负载而过载。
主要特点
- 电压兼容性:额定电压为 DC 12V,符合标准汽车电源系统。
- 耐用性:专为承受恶劣环境(例如,极端温度、振动和潮湿的发动机舱)而设计,确保在要求苛刻的应用中可靠运行。
- 紧凑型设计:其紧凑的尺寸可以轻松安装在狭小的空间中,非常适合空间有限的汽车或工业设备。
- 可靠性:旨在处理频繁的开/关循环,延长连接设备和继电器本身的使用寿命。
应用领域
该继电器广泛应用于:
- 汽车系统:控制前灯、雾灯、喇叭、燃油泵、冷却风扇等。
- 工业设备:管理机械中的电机、螺线管和其他高-功率设备。
- 电气控制电路:将控制信号与高-功率负载隔离,以防止电路过载。
通过将强大的性能与多功能功能相结合,这款 DC 12V 继电器是确保汽车和工业电气系统平稳可靠运行的重要工具。
我们的工厂








我们的证书




















展览









热门标签: 绞车电磁连续工作,中国绞车电磁连续工作制造商,供应商,工厂