产品描述
80/100 安培直流绞盘电机换向电磁继电器 12 伏接触器

联系方式
|
联络安排 |
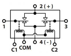
2C(2PDT) |
|
|
接触材料 |
合金 |
|
|
触点额定值(电阻) |
常开:100A 常闭:80A 12VDC |
|
|
最大限度。开关电源 |
1200VDC |
|
|
最大限度。开关电压 |
75VDC@20A |
|
|
接触电阻 |
最大 50m Ω |
|
|
操作电气 |
电气 |
20A 12VDC 下连续 20,000 次循环,80A/100A 12VDC 下间歇性 2,000 次循环 |
|
机械的 |
10,000,000 次循环 |
|
线圈参数
|
标称 电压(直流) |
最大持续电压 (VDC) |
线圈电阻 20 度时 Ω ±10% |
捡起 电压 (20 度直流电) |
发布 电压(20度时的VDC) |
线圈功率 (W) |
|
12 |
14.4 |
9.0 |
8.4 |
1.2 |
|
|
24 |
28.8 |
36.0 |
16.8 |
2.4 |
16 |
运行状况
|
绝缘电阻 |
最小 100M Ω(500VDC 时) |
|
介电强度 触点之间 触点与线圈之间 |
50Hz 500VAC 50Hz 500VAC |
|
抗冲击性 |
10G |
|
抗振性 |
10~55Hz 双振幅1.5mm |
|
端子强度 |
50N |
|
环境温度 |
-25~55度 |
|
相对湿度 |
93%(40度时) |
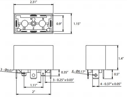
尺寸(毫米)

接线

LIMING 4180-2-12V 继电器是一款紧凑型高性能电磁元件,专为 12V 直流应用中的可靠电气控制而设计。其紧凑的外形和坚固的结构使其成为空间受限设计的理想选择,而其电磁操作可确保在各种工业、汽车和消费电子应用中进行可靠的开关。
该继电器采用 12V 直流线圈电压,经过优化,可与 12V 电源系统兼容,从而能够无缝集成到现有电路中。其设计优先考虑耐用性,具有坚固的外壳和耐腐蚀的 - 端子,可确保在恶劣环境下的长期 - 可靠性。无论是用于汽车控制系统、工业自动化还是消费设备,该继电器都能提供一致的性能和精确的开关。
凭借其紧凑的尺寸、可靠的运行以及与 12V DC 系统的兼容性,LIMING 4180 - 2 - 12V 继电器对于为 12V DC - 供电项目寻求可靠继电器的工程师和设计人员来说是一种多功能解决方案。其坚固的结构和电磁技术使其成为需要可靠电气控制的应用的值得信赖的选择。
我们的工厂








我们的证书




















展览









热门标签: 船用绞车电磁铁,中国船用绞车电磁铁制造商,供应商,工厂